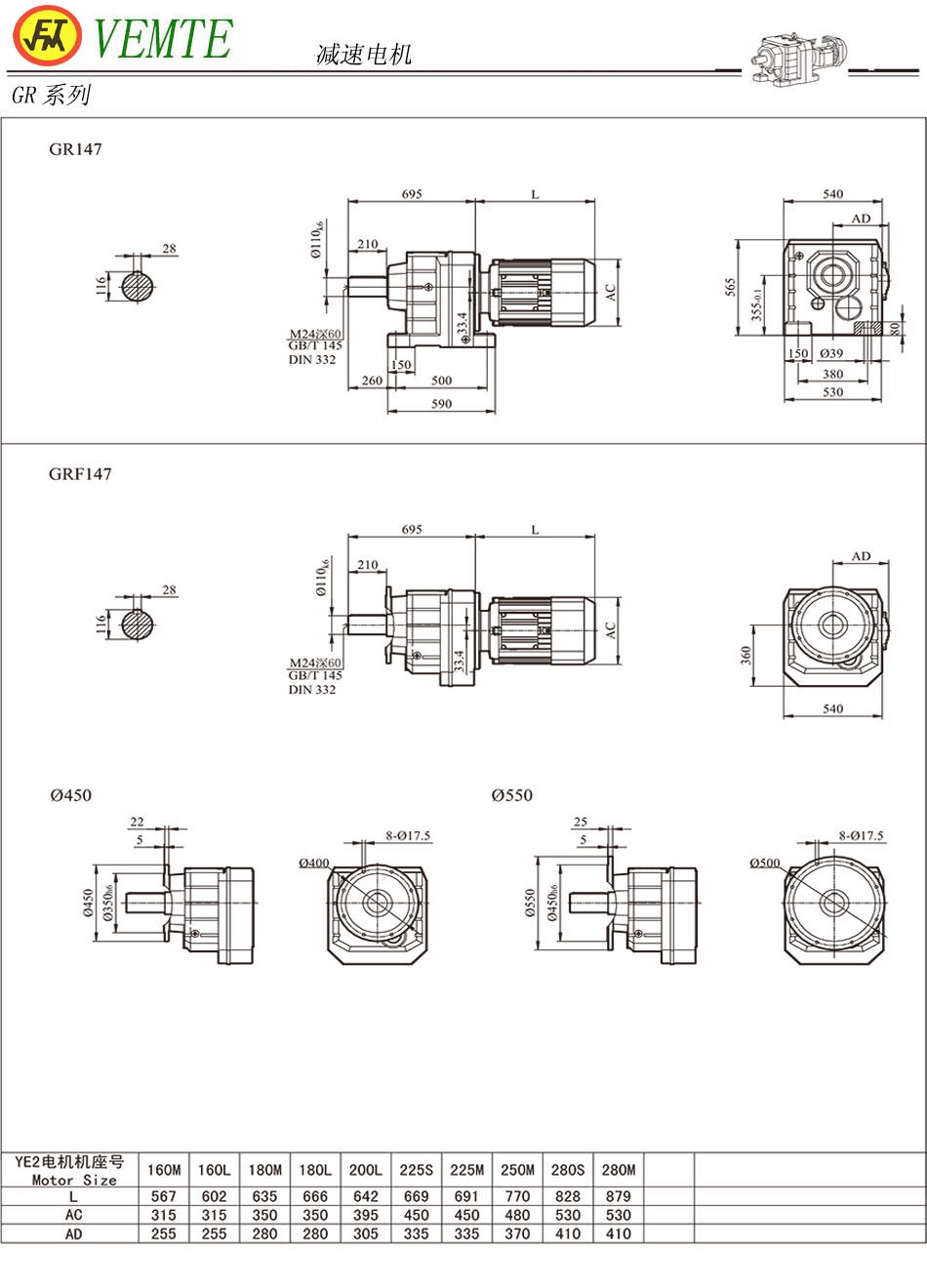
這是TR148減速機以及TRF148齒輪減速機的具體的型號表示以及對應的安裝尺寸圖紙。而TR148系列減速機對應的大眾減速機型號為R147減速機。
| TRF148-Y15-4P | TRF148-Y5.5-4P | TRF148-Y55-4P |
| TRF148-Y18.5-4P | TRF148-Y7.5-4P | TRF148-Y75-4P |
| TRF148-Y22-4P | TRF148-Y11-4P | TRF148-Y90-4P |
| TR148-Y15-4P | TR148-Y5.5-4P | TR148-Y55-4P |
| TR148-Y18.5-4P | TR148-Y7.5-4P | TR148-Y75-4P |
| TR148-Y22-4P | TR148-Y11-4P | TR148-Y90-4P |
| TR148-Y30-4P | TRF148-Y45-4P | TRF148-Y30-4P |
| TR148-Y37-4P | TR148-Y45-4P | TRF148-Y37-4P |
下一篇:TR168系列齒輪減速機型號上一篇:TR138系列齒輪減速機型號
此文關鍵字:TR148系列齒輪減速機型號
















