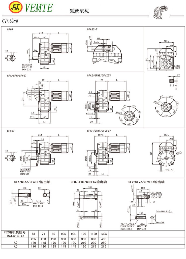
這是F04減速機,F(xiàn)A04齒輪減速器,F(xiàn)F04減速箱以及FAF04平行軸減速機的對應的型號以及對應的安裝尺寸圖紙。而F04系列減速機對應的大眾的型號是F67減速機。
| F04DM63S | FA04DM80M1 | FF04DM63S |
| F04DM63M | FA04DM80M2 | FF04DM63M |
| F04DM63L | FA04DM90S | FF04DM63L |
| F04DM71M | FA04DM90L | FF04DM71M |
| F04DM80M1 | FA04DM100M | FA04DM63S |
| F04DM80M2 | FA04DM100L | FA04DM63M |
| F04DM90S | FA04DM132S | FA04DM63L |
| F04DM90L | FAF04DM100M | FA04DM71M |
| F04DM100M | FAF04DM100L | FAF04DM63S |
| F04DM100L | FAF04DM132S | FAF04DM63M |
| F04DM132S | FF04DM100M | FAF04DM63L |
| FF04DM80M1 | FF04DM100L | FAF04DM71M |
| FF04DM80M2 | FF04DM132S | FAF04DM80M1 |
| FF04DM90S | FAF04DM90S | FAF04DM80M2 |
下一篇:F05系列齒輪減速機型號上一篇:F03系列平行軸減速機型號
此文關鍵字:F04系列齒輪減速機型號
















